Home / Componenti per l'industria / Elementi di posizionamento / Pressore a molla plastica con intaglio e sfera plastica

Pressore a molla plastica con intaglio e sfera plastica

Pressore a molla plastica con intaglio e sfera plastica

Passa alle informazioni sul prodotto
1 su 2
Famiglia KP031-AP
Materiale corpo TMP (Termoplastico) grigio nerastro
Materiale sfera POM (Resina acetalica) bianco
Materiale molla AISI301 (Inox)
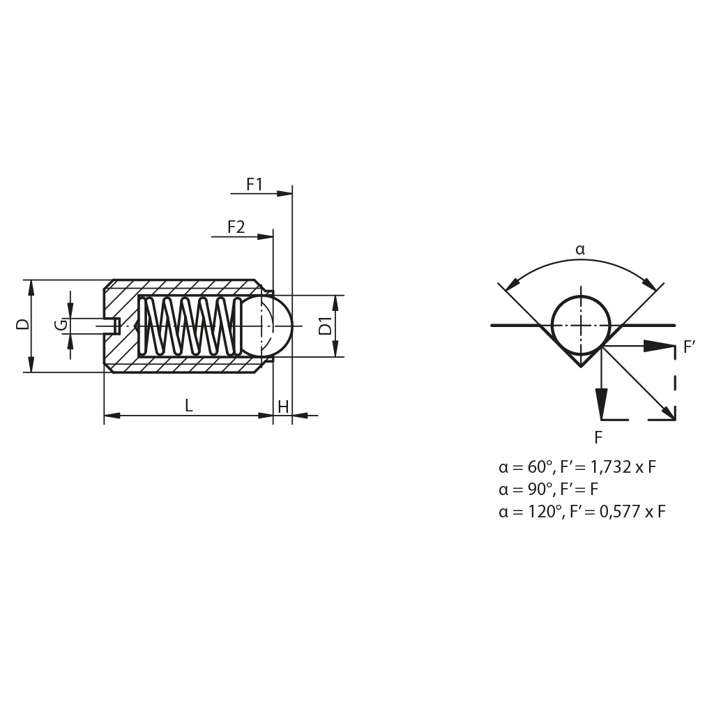
Note F = Forza elastica applicabile compresa tra F1 e F2

Effettua il login per vedere i prezzi.

Accedi alla tua area riservata o registrati per richiedere un preventivo.

Vorresti diventare nostro cliente?

Registrati, riempi il carrello e richiedi un preventivo. Avvieremo il processo di affiliazione.

Visualizza dettagli completi
Descrizione Ciclo di Vita

F = Forza elastica applicabile compresa tra F1 e F2

Attivo

Varianti articolo

visualizza il carrello per ordinare o richiedere un nuovo preventivo